Linx Technologies Inc. ANT-868-JJB-RA

Linx Technologies Inc.

Product Information

Frequency Range:
855MHz ~ 880MHz
HTSUS:
8529.10.4040
RoHS Status:
RoHS Compliant
Frequency Group:
UHF (300MHz ~ 1GHz)
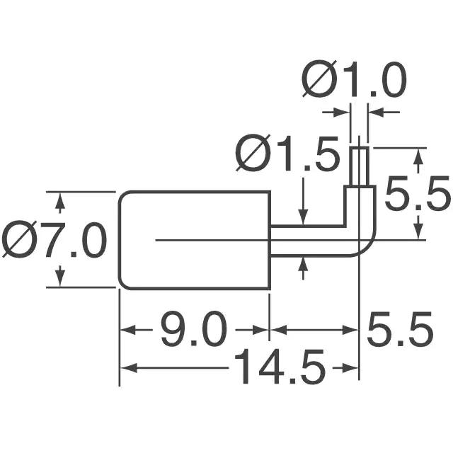
Height (Max):
0.571" (14.50mm)
REACH Status:
REACH Unaffected
Applications:
ISM, LoRa, Sensor Networks, SigFox
Gain:
-1dBi
Number of Bands:
1
Package:
Bulk
Moisture Sensitivity Level (MSL):
1 (Unlimited)
RF Family/Standard:
General ISM
Frequency (Center/Band):
868MHz
Termination:
Solder
standardLeadTime:
12 Weeks
Ingress Protection:
-
Features:
-
Mounting Type:
Through Hole
Antenna Type:
Whip, Right Angle
Series:
JJB
VSWR:
2
Return Loss:
-
Base Product Number:
ANT-868
ECCN:
EAR99
Checking for live stock

This is manufactured by Linx Technologies Inc.. The manufacturer part number is ANT-868-JJB-RA. The frequency range includes 855mhz ~ 880mhz. It is assigned with possible HTSUS value of 8529.10.4040. The product is rohs compliant. The product boasts a uhf (300mhz ~ 1ghz) frequency group. Additionally, the 0.571" (14.50mm) is the maximum height of the product. In addition, it is reach unaffected. The product is widely employed in ism, lora, sensor networks, sigfox. The -1dbi is the gain value of a bespoke product. It contains 1 bands. It is shipped in bulk package . Its typical moisture sensitivity level is 1 (unlimited). The standard RF Family of the product includes general ism. While it has a frequency of 868mhz at center/band. The product features solder termination style. It has a long 12 weeks standard lead time. The product is available in through hole configuration. It is a whip, right angle antenna. The product jjb, is a highly preferred choice for users. VSWR Information: 2. Moreover, it corresponds to ant-868, a base product number of the product. The product is designated with the ear99 code number.

pdf icon
RoHS Cert(Environmental Information)
pdf icon
Mult Dev Mfg Add 12/Sep/2019(PCN Assembly/Origin)
pdf icon
JJB Series(Datasheets)

Reviews

  • Be the first to review.

FAQs

Yes. We ship ANT-868-JJB-RA Internationally to many countries around the world.
Yes. You can also search ANT-868-JJB-RA on website for other similar products.
We accept all major payment methods for all products including ET11340547. Please check your shopping cart at the time of order.
We use our internationally recognized delivery partners UPS/DHL. Collection of ET11340547 can also be arranged for the customer by international shipments through contacting our customer support team. Additionally, you can also search"Linx Technologies Inc." products on our website by using Enrgtech's Unique Manufacturing Part Number ET11340547.
You can order Linx Technologies Inc. brand products with ANT-868-JJB-RA directly through our website or call us at +44 (0) 3303 800 157 or email our support team at sales@enrgtech.co.uk.
Yes. Our products in RF Antennas category are shipped in lowest possible time.
You will get a confirmation email regarding your order of Linx Technologies Inc. ANT-868-JJB-RA. You can also check on our website or by contacting our customer support team for further order details on Linx Technologies Inc. ANT-868-JJB-RA.